Индустријска брава на вратима орманаје кључна заштитна компонента разводног ормана, комуникационог ормана, контролне кутије и друге опреме, која је директно повезана са безбедношћу унутрашњих електричних компоненти и стабилним радом система.
Да бисмо испунили разноврсне захтеве времена испоруке и спецификација за различите пројекте, наша компанија увек има пет типова најчешће коришћених брава на лагеру -Лонг Бар Лоцк, Панел Лоцк, Контролна брава шипке, Закључавање ручке,Ротари Тонгуе Лоцк. У исто време, подржавамо било коју нестандардну браву прилагођену према цртежима или узорцима, што је савршено погодно за све врсте металних разводних кутија.
Равна брава је једна од најчешћих врста брава за врата индустријских ормара, лепа и лака за одржавање. Наша компанија је лансирала равнину браву серије АБ301, АБ302, АБ303, АБ402, АБ403, у структурној чврстоћи, перформансама заштите и осећају рада диференцираног дизајна, може задовољити различите спецификације разводне кутије, захтеве за уградњу контролног ормара.
| Димензије | Број производа | |||||||
| Л1 | Л2 | Л3 | Б1 | Б2 | Сиви хром | Сива боја у спреју | Обложен црним прахом | Тежина (г) |
| 147 | 117 | 72 | 33 | 26.5 | АБ301-1-1.2 | АБ301-1-1.8 | АБ301 | 370 |
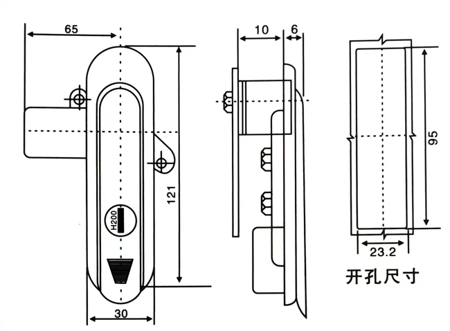
| 120.5 | 95.5 | 65 | 30 | 23.5 | АБ301-2-1.2 | АБ301-2-1.8 | АБ302 | 290 |
| 87.5 | 62.5 | 65 | 28.5 | 23.5 | АБ301-3-1.2 | АБ301-3-1.8 | АБ303 | 215 |
Главни материјал: легура цинка.
Површинска обрада: светли хром, мат, црна.
Функција и употреба: Остварите лево и десно отварање врата, лако за употребу, са заптивачем и водоотпорном функцијом.
Главни материјал: легура цинка.
Површинска обрада: светли хром, мат, црна.
Функција и употреба: Остварите лево и десно отварање врата, лако за употребу, са заптивачем и водоотпорном функцијом.
Материјал: тело браве од легуре цинка, ротирајућа осовина, вијак од поцинкованог челика, притисна плоча.
Површинска обрада: сребрно сиви нано спреј.
Опис структуре: Ротирајте за 90 степени да бисте отворили или закључали.
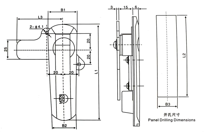
| МОДЕЛ | Л1 | Л2 | Л3 | Б1 | Б2 | Б3 |
| НОВО АБ402-А | 123 | 95.5 | 65 | 36.5 | 30 | 23.5 |
| НОВО АБ403-А | 91 | 62.5 | 65 | 33 | 28.5 | 23.5 |
| НОВО АБ401-А | 151 | 117 | 72 | 36 | 30 | 26.5 |
